ct electric meter wiring diagram
Digital Ammeter Wiring With Current Transformer - CT Coil. 16 Images about Digital Ammeter Wiring With Current Transformer - CT Coil : Digital Ammeter Wiring With Current Transformer - CT Coil, Ct Electric Meter Wiring Diagram and also Meter Wiring Diagram - Electrical Wiring Diagram Guide.
Digital Ammeter Wiring With Current Transformer - CT Coil
meter ct wiring diagram ammeter digital amp transformer current coil inside transformers wire connections electrical electricalonline4u
Three Phase Multifunction Electric Meter - Anityameter

multifunction
Electricity Meter: Electricity Meter Transfer Application

Whole House Transfer Switches — Northernarizona-windandsun

transfer meter switches whole 10k electrical ct electric
Wiring Diagrams - Bay City Metering NYC

wiring diagrams circuit meter form metering bay 2w 1p
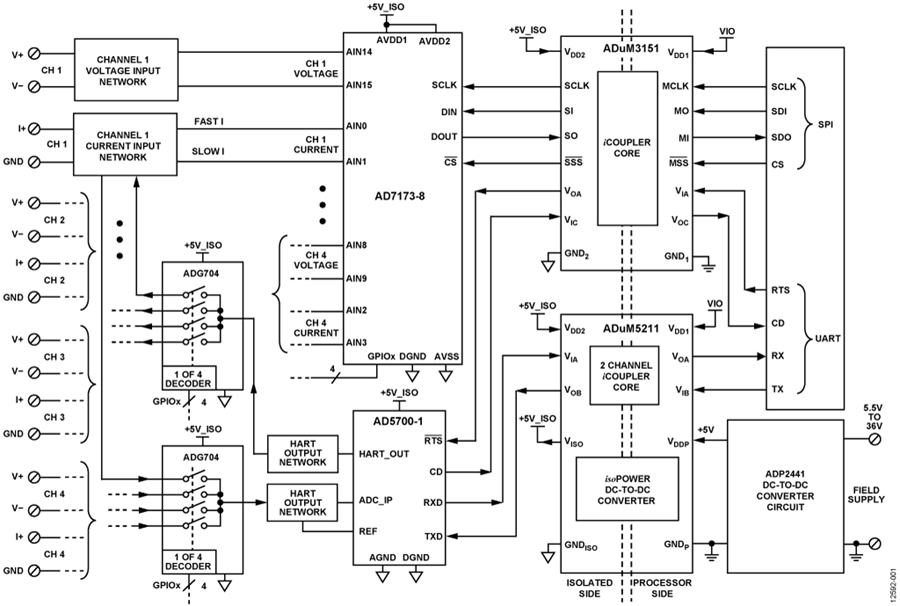
Electric Meters | Analog Devices

analog circuits thn
Wiring Diagrams - Bay City Metering NYC

wiring diagrams meter form metering circuit 3w 1p nyc bay
Wiring Diagram Ct Metering

metering diagrams 4w
Ct Electric Meter Wiring Diagram

meter diagram wiring phase single kwh electric fasa ct connection
How To Wire A Frequency Meter (Hz-Hertz)? - Electricalonline4u
frequency meter hz wire wiring hertz diagram phase circuit current ac electrical transformer installation electricalonline4u capacitor
Single Phase Power Meter,with Internal CT - Bravo Controls

phase internal ct single power meter dimension
November 2012 - The Circuit

voltmeter digital icl7107 circuit led using diagram schematic circuits gr meter voltage universal drawing
Wiring Diagram Kwh Meter 3 Phase - IKAMSAJE

phase diagram kwh etechnog
Meter Wiring Diagram - Electrical Wiring Diagram Guide

Motor Wiring Diagrams
meter victoria
Wiring Diagram Ct Metering

9s metering nyc 4w
Phase internal ct single power meter dimension. Phase diagram kwh etechnog. Single phase power meter,with internal ct