dodge charger 2012 wiring stereo
Chrysler 300 Stereo Wiring Diagram interkulinterpretor in 2021 | Dodge. 35 Pictures about Chrysler 300 Stereo Wiring Diagram interkulinterpretor in 2021 | Dodge : 2012 Dodge Charger Speaker Wiring Diagram | schematic and wiring diagram, 2012 Dodge Charger Stereo Wiring | schematic and wiring diagram and also Chrysler 300 Stereo Wiring Diagram interkulinterpretor in 2021 | Dodge.
Chrysler 300 Stereo Wiring Diagram Interkulinterpretor In 2021 | Dodge

avenger stereo speaker fuse subwoofer imageservice cruiser tachometer sebring
2012 Dodge Grand Caravan Radio Wiring Diagram - TINNINGSTREE

stereo speaker nexys mics magnum rover 650i tweeter carstereochick bose schematic annawiringdiagram database alternator 2020cadillac schematics subwoofer imageservice njega sni
20 New 2004 Dodge Ram Radio Wiring Diagram

dodge wiring ram diagram 1500 radio 2001 2000 dakota 2002 2004
Unique 94 Jeep Grand Cherokee Stereo Wiring Diagram | 2012 Dodge

fuse avenger sebring electrique charger schema untpikapps imageservice npr schematic f150 database exatin bose
2012 Dodge Charger Radio Wiring Diagram - How Much?
2008 Dodge Charger Radio Wiring Diagram - Drivenheisenberg
charger dodge wiring diagram radio 2008 stereo factory system diagrams schematic speaker 2009 subwoofer aftermarket line chrysler lurch electronics mo
2012 Dodge Grand Caravan Radio Wiring Diagram - TINNINGSTREE
avenger neon harness rayuan biasiswa diagrams aftermarket jpa bkns kuora chanish
2012 Dodge 1500 Stereo Wiring – Best Diagram Collection

challenger u2013
2012 Ram 1500 Radio Wiring Diagram
wiring resistor ballast
95 Dodge Ram Fog Light Wiring Diagram - Collection - Wiring Diagram Sample

wiring diagram jeep cherokee light fog grand tail dodge ram lights 2004 wj 1995 repair cj7 wagoneer diagrams bumper lower
43 2012 Dodge Avenger Radio Wiring Diagram - Wiring Niche Ideas
Dodge Charger Police Package Wiring Diagram - Wiring Forums

wiring diagram infinity dodge charger amp police gold radio package schematics i1 px source wiringforums
2012 Dodge Charger Speaker Wiring Diagram | Schematic And Wiring Diagram
chrysler sebring
Ford Festiva Stereo Wiring Diagram

wiring diagram stereo dodge charger festiva ford radio rt rid
59 2012 Dodge Grand Caravan Radio Wiring Harness - Wiring Diagram Harness

wiring sxt
2012 Dodge Grand Caravan Stereo Wiring Diagram Images - Wiring Diagram

caravan 2carpros
Chrysler 300 Stereo Wiring Diagram Interkulinterpretor In 2021 | Dodge

dodge chrysler
2012 Dodge Avenger Radio Wiring Diagram - Wiring Diagram

Pin On Car Radio Wiring

wiring radio diagram ram dodge 1500 caravan grand electrical harness charger diagrams radios package
Dodge Challenger Radio Wiring Harness Images | Wiring Collection

wiring challenger dodge radio diagram harness imageservice cloud resources source
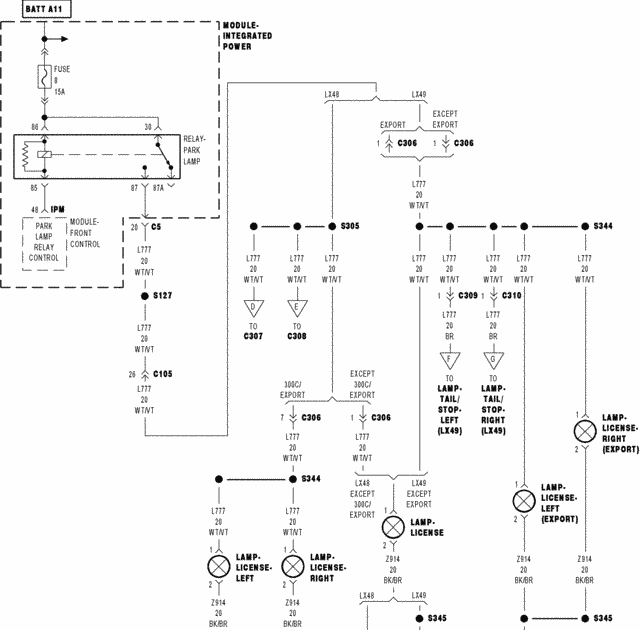
2012 Dodge Charger Tail Light Wiring Diagram - How Much?
Dodge Charger Police Package Wiring Diagram - Wiring Forums

2012 Dodge Ram Stereo Wiring Harness Images - Wiring Diagram Sample

wiring durango dakota imageservice justanswer durrango schematics
Dodge Charger Police Package Wiring Diagram - Wiring Forums

wiring dodge diagram radio chrysler charger police package stereo 2007 caliber alpine 230v diagrams trend px explained accord 1989 source
Show Low : 2012 Dodge Charger Se Dash Kit And Double Din Stereo Alpine

2008 Dodge Charger Stereo Wiring Harness Diagram - How Much?

2012 Dodge Charger Radio Wiring Diagram : 2012 Dodge Charger Wiring

avenger durango justanswer escorte pizda asd publi24 agachate goala femei truck babei izvorul
2012 Dodge Ram Stereo Wiring Harness Images - Wiring Diagram Sample

wiring dakota
[DIAGRAM] Metra Radio Wiring Diagram From Dodge Charger 2012 FULL
wiring uconnect metra
2012 Dodge Avenger Radio Wiring Diagram Pictures - Wiring Diagram Sample

avenger dart imageservice justanswer ww2
2012 Dodge Avenger Radio Wiring Diagram Pictures - Wiring Diagram Sample

dodge avenger
2012 Dodge Charger Stereo Wiring | Schematic And Wiring Diagram
plymouth saab
2012 Dodge Charger Radio Wiring Diagram - How Much?
subwoofer ugh
Asd Wiring Diagram 2012 Dodge Charger Images - Wiring Diagram Sample

dodge alternator diagram charger wiring fusible link 2carpros asd ls2 location battery source needed
Chrysler Radio Wiring Diagrams Diagram Entrancing Carlplant Within

wiring sebring pacifica electrical avenger challenger autoradio entrancing crossfire yukon lhs 300m durango sxt easywiring webtor radiowiring
Subwoofer ugh. 2012 dodge charger tail light wiring diagram. 2012 dodge avenger radio wiring diagram