edis 4 wiring diagram
Ford Focu Wiring Diagram Uk - Wiring Diagram. 10 Images about Ford Focu Wiring Diagram Uk - Wiring Diagram : EDIS wiring confused - MegaSquirt - HybridZ, Megasquirt EFI (and EDIS) for the BMW 2002 - Part 1 - Engine and and also Coco's: Buku pedoman memperbaiki Daihatsu Xenia.
Ford Focu Wiring Diagram Uk - Wiring Diagram

focu
EDIS Wiring Confused - MegaSquirt - HybridZ

edis wiring megasquirt porsche confused ms2 pins ii tach output forums should follow which
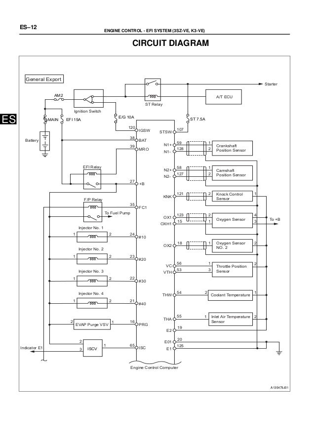
Coco's: Buku Pedoman Memperbaiki Daihatsu Xenia

xenia k3
Ford EDIS Distributorless Ignition (for Forest G) - Topic

ignition system spark ford engine crank distributorless diagram edis electromotive cam xdi sensor sync start v8 wasted coils pantera possible
A9l Or A9M With EDIS-8 - EECTuning.org

edis a9l ignition clipper norton a9p a9m
Chapter 12. Ignition Options

coil plug diagram wiring ignition cylinder four vems figure
Megasquirt EFI (and EDIS) For The BMW 2002 - Part 1 - Engine And

megasquirt edis 2002 wiring bmw ignition engine efi rennlist forums turbo control
Vw Golf Mk4 Ecu Wiring Diagram

diagram vw wiring golf ecu mk4 9a engine sensor position
LSx Coil Thread - Miata Turbo Forum - Boost Cars, Acquire Cats.

coil wiring spark wasted ls2 thread diagram lsx coils install turbo b5 schematic megasquirt 12v slow build connector sequencer cheers
Mazda 626 Digital Meter Wiring Diagram - Wiring Diagram Schemas

Edis wiring confused. Megasquirt edis 2002 wiring bmw ignition engine efi rennlist forums turbo control. Diagram vw wiring golf ecu mk4 9a engine sensor position